
Feature
•For sensors with NPN or PNP outputs
•Compact boxed power supply with screw terminal block
•Short circuit and overvoltage protection
•Separate terminal for sensors consisting of emitter and receiver part
Technical data
|
Input voltage range (USP) |
85 ... 265 VAC |
|
Output voltage |
24 V ± 5% |
|
Recommended circuit breaker |
250 V / 1 A |
|
Overload protection |
Short circuit protection |
|
Input type |
1x PNP / 1x NPN |
|
Enclosure rating |
IP33 |
|
Tempature range - storage |
-30 ... +80°C |
|
Tempature range - operation |
-20 ... +60°C |
|
Cable length |
1 m |
|
Start-up time |
< 3 s |
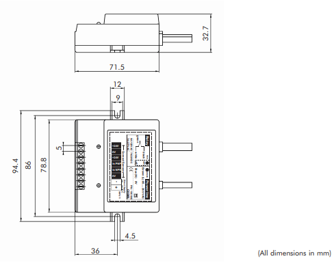
Dimensions

Block diagram

Company Name:Hitch (Shanghai) Automation Co.,Ltd.
Name: Lucky Gao
Mobile:15901664615
Tel:+86 21 61767181
Whatsapp:+8615901664615
Email:info@highspeeddoor.cn
Email:kevin.jiang@powever.com.cn
Add:Room 301-302, Building 1, No. 1355, Chengbei Road, Jiading District, Shanghai
Post code:201800