
Product Description:
Click to get the video
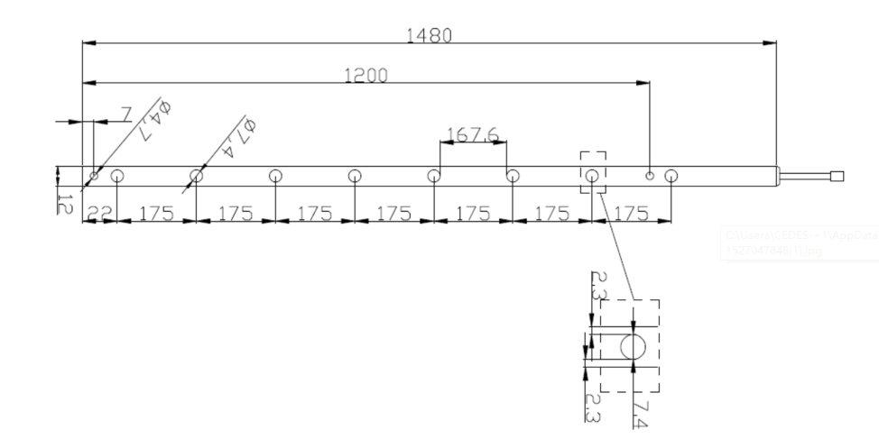
Dimension diagram
| Optical | |
| Operating range | 1~10m |
| Number of elements | 16 |
| Max. ambient light | 100,000 Lux |
| Aperture angle at 3 m | Tx: ≤ ±10° and Rx: ≤ ±20° |
| Mechanical | |
| Cross-section | 12 mm × 16 mm |
| Max. protection height | 1,240 mm |
| Housing material | Natural anodized aluminum |
| Enclosure rating | IP67 |
| Temperature range | −40 °C ... +60 °C |
| Electrical | |
| Supply voltage USP | 10 ... 30 VDC |
| Current consumption at 24 VDC | 100 mA |
| Output | PNP/NPN (push-pull) or FSS |
| Output load | 100 mA, 100 nF |
| Typ. response time with 32 elements | 90 ms |
| Max. door speed | 2.5 m/s |
| Status LED Rx: Object detected | red |
| No object detected | green |
| Power LED Tx: Power ok | green |
| General | |
| EMC emission | EN 61000-6-3:2007 |
| EN 12015:2014 | |
| EMC immunity | EN 61000-6-2:2005 |
| EN 12016:2013 | |
| Vibration | IEC 60068-2-6:2007 |
| Shock | IEC 60068-2-27:2008 |
| RoHS | 2011/65/EU |
| Certificates | CE, TÜV |
| Safety category | EN ISO 13849-1:2008, Cat. 2, PL D |
| EN 61508:2010, SIL 2 | |
| EN 12978:2009 (SB type, | |
| excl. IEC 61496-2:2006) | |
| Applicable standards | UL 325:2012 |
| Types | |
| GridScan/Mini SB | With door blanking feature |
| according to EN 12978:2009 | |
| GridScan/Mini DB | With door blanking feature |
| GridScan/Mini ST | For static applications without door |
| blanking function | |
| Connection cable and electrical connection | |
| Length | 10 m |
| Diameter | Ø 3.5 mm |
| Material | PVC, black |
| Plug color | Black |
| Wires | AWG26 |
| • brown | USP |
| • blue | GND (0 V) |
| • black | Communication |
| • white | Test signal |
| Connection cable | |
| Length | 5 m |
| Diameter | Ø 4.2 mm |
| Material | PVC, black |
| Plug color | Blue |
| Wires | AWG26 |
| • brown | USP |
| • blue | GND (0 V) |
| • black | Output 1 (PNP/NPN or FSS) |
| • white | Test input |
| • gray | Selectable output logic |
| • green | Not used or Output 2 (PNP/NPN) |
Company Name:Shanghai Honwei Automation Co., Ltd. HITCH (SHANGHAI) IMPORT& EXPORT CO., LTD.
Name: Phyllis Liang
Mobile:15316076035
Tel:+86 21 61767181
Whatsapp:+86 15316076035
Email:info@highspeeddoor.cn
Email:kevin.jiang@powever.com.cn
Add:Room 301-302, Building 1, No. 1355, Chengbei Road, Jiading District, Shanghai
Post code:201800